全国服务热线:0755-28397973
防爆监控辅助设备
当前位置:首页 > 产品展示 > 防爆监控辅助设备 >正文
防爆重型支架
添加时间:2020-07-21
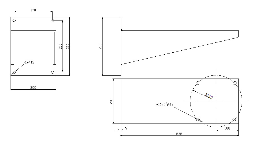
防爆重型支架

配件型号:RFHS02
功能特点:用于安装防爆云台,承重80Kg.

200*260*535, 宽*高*长

安装孔位简图:

1.jpg

推荐产品 Recommended Products
联系我们 CONTACT US
0755-28397973

公司电话:13509641599

全国热线:0755-28397973

邮箱:sales@szrongfang.com

公司地址:深圳市坪山区龙田街道德昌盛工业园B栋4楼